Mechanical
Designs
Norwood Designs
Photo Realistic Renderings
Return
                          to Norwood Designs Home Page
Industrial Designs
Logos
                          & Print Media
Original Art


Here are some examples of mechanical designs Norwood Designs developed for my customers. The product development often included complete design services from concept to production.
Click on each picture to view a larger image.
SportCount IV This redesign of the SportCount LapCounter uses an over-molded housing with a membrane covering the button to make it waterproof. The over molded housing also becomes the band to secure the watch to the finger.You can purchase the latest design at http://www.sportcount.com.
This Crevice Claw Nozzle was designed for MrNozzle. It needed to have a small handle to fit a smaller hand while still allowing the same volume of flow through the nozzle.

The design needed to work as a standard "claw" type nozzle as well as work as a crevice tool to get into tight spaces.You can buy the nozzle here.
The client required several mechanical and aesthetic considerations for the design of this food dispenser. To see more information about this design please see the patent application US 2007/0051749 . Sauce Bottle
Click Here to View a Larger Version. I invented this magnetic strip reader and writer for Interoffice Express, LTD. This device allows the user to "swipe" a magnetic card manually for both reading and writing the magnetic information using an optically encoded mark along side the magnetic strip for synchronization.  This patent (No. 6053415) is available for licensing. E-mail Dick Olson at ROlson22@aol.com or Mark Norwood at norwood@earthlink.net for more information.
This Multi-Port Scanner was designed for HIAC/ROYCO. It is used to sample air contaminates in multiple locations in clean room environments. Remote control and simplicity of design contributed to the success of this product. Click Here to View a
                  Larger Version. Click Here to View a Larger Version.
K-Lite
This redesign of the K-Lite combined all the features of the mounting, reflector and housing into a single piece design. This reduced the weight and costs and improved the performance.
This side-marker light was designed to provide brighter light and use less power using LEDs instead of conventional lamps, yet fit into the same form factor as the original design. Sidemarker
Click
                  Here to View a Larger Version. This pulse oximeter finger probe (Patent No. 5247931) was invented by Mark Norwood for Catalyst Research Corp. a division of Mine Safety Appliances. It incorporates a novel floating hinge and spring mechanism that allows the optical components to make secure contact with the finger of the patient without restricting blood flow and affecting the accuracy of the instrument. 
This carry-all folds flat and pops up for use. It's wire-frame design is light weight and sturdy. Folding
                  Carrier
Click Here to View a
                  Larger Version. Click Here to View a
                  Larger Version. Click Here to View a
                  Larger Version.
Interoffice Express, LTD. needed a low cost solution to their patented inter-office mailing solution. The envelope incorporates a plastic dial that can be set to a six digit number code representing an office location. The code is represented in post net as well as code-39 simultaneously. The envelope can then be sent through existing automated mail sorting equipment. E-mail Dick Olson at ROlson22@aol.com if you are interested in more information on this product.

The client wanted a pump type fluid dispenser that would seal the dispenser nozzle when the pump actuator was released. This design was never manufactured. You can see the pump in action here.
Fluid Dispenser
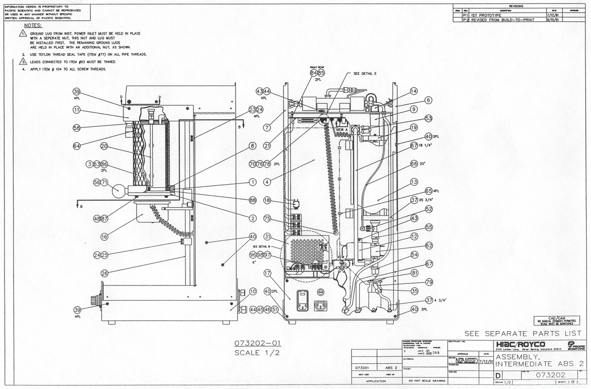
HIAC ABS-2, Automatic Bottle Sampler This Automatic Bottle Sampler, the ABS2, was designed to replace an earlier instrument. Ease-of-use and automation of the sampling process were important to the success for this product originally designed for HIAC/ROYCO. Now manufactured by HACH Co.

It is still in production 22 years later!
.
HIAC
                  ABS-2, Automatic Bottle Sampler
Click
                  Here to View a Larger Version.
Click Here to View a Larger Version. Click Here to View a
                  Larger Version. Norwood Designs and associates designed metal extrusions and machined parts for Axis Laser's clever laser based pipe laying aid. The cut-away shows how the inner workings will function.

I worked with Bruce Gamble to develop this canteen for dogs that incorporates a snap-on bowl and canteen   Contact Bruce Gamble at B4Gamble@aol.com for more information. The
                  Laptop Dog Drinking Canteen.
Heat
                  Exchanger
This heat exchanger is designed from off-the-shelf parts. The use of readily available parts greatly reduced the cost of this design. This is how I can save you money.


Return to Norwood Designs Home Page Photo Realistic
                            Renderings Mechanical
                            Designs Industrial Design Logos & Print Media Original Art
Norwood Designs
Mark Norwood - norwooddesigns@verizon.net
Norwood Designs
Norwood Designs
P.O. Box 81
Randallstown, Maryland 21133
last updated 1/1/2017

©Copyright, Norwood Designs 1995, 1998, 1999, 2000, 2001, 2002, 2003, 2004, 2005, 2006, 2007, 2008, 2009, 2010, 2011, 2012, 2013, 2014, 2015, 2016, 2017 all rights reserved. If you wish to use any of the images on this web site for private or public use, you must contact Mark Norwood of Norwood Designs first. Signed, high quality reprints of images in the Original Art gallery, on this page and certain other images in this web site may purchased by e-mailing Mark Norwood. Reprints are available in 8"X 10", 11"X14"and 11"X 17". Describe the image(s) that interests you and your preferred size. Custom paper and sizes available.
All logos and trademarks are the property of their respective holders